Soilpunk 🌏🤘 - Joulethief

Soilpunk - Joulethief

This document is viewable as a webpage or as a slideshow

Joulethief

Transistor

Water analogy: the little bit of water from B to E opens the gate for the bigger flow from C to E

Joulethief

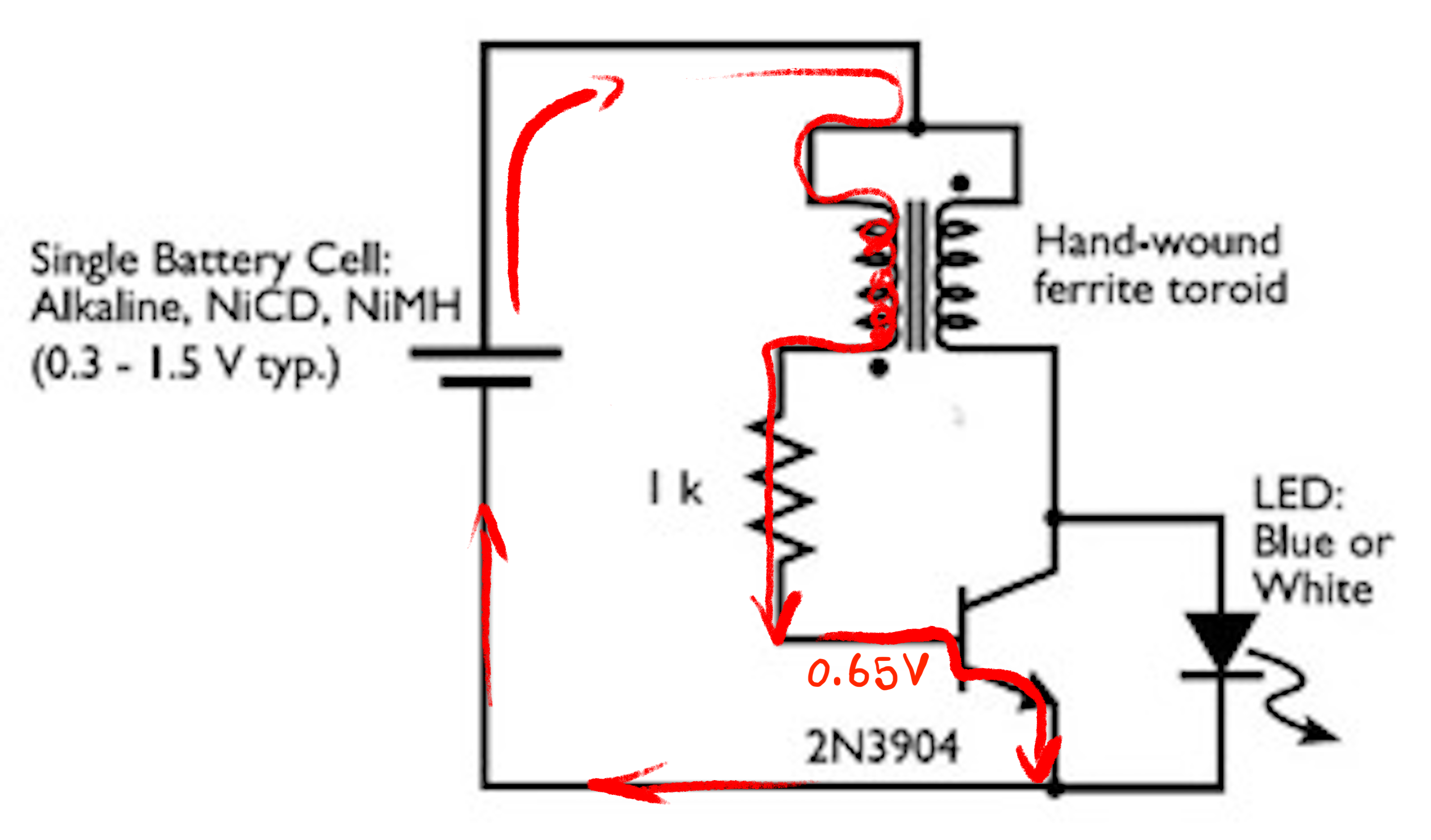
Joulethief

A small current flows from the battery through the coil and the base-emitter path of the transistor. This opens the emittor-collector path of the transistor.

Joulethief

Electricity is now able to travel through the second coil and through the collector-emitter channel of the transistor.

Joulethief

The increasing amount of electricity through the second coil generates a negative voltage in the first coil, which cause the transistor to close.

Joulethief

With the transistor closed the energy starts to flow through the output (led).

Joulethief

The inductor is now powered by the magnetic field of the coil.

Joulethief

When the magnetic field is gone, the whole process starts over.

Joulethief

A more detailed explanation can be found on instructables

Led

Make sure to get the LED polarity right. Short leg goes to ground!

Circuit

https://github.com/hackersanddesigners/Soilpunk_joulethief