Soilpunk 🌏🤘 - Joulethief
This document is viewable as a webpage or as a slideshow





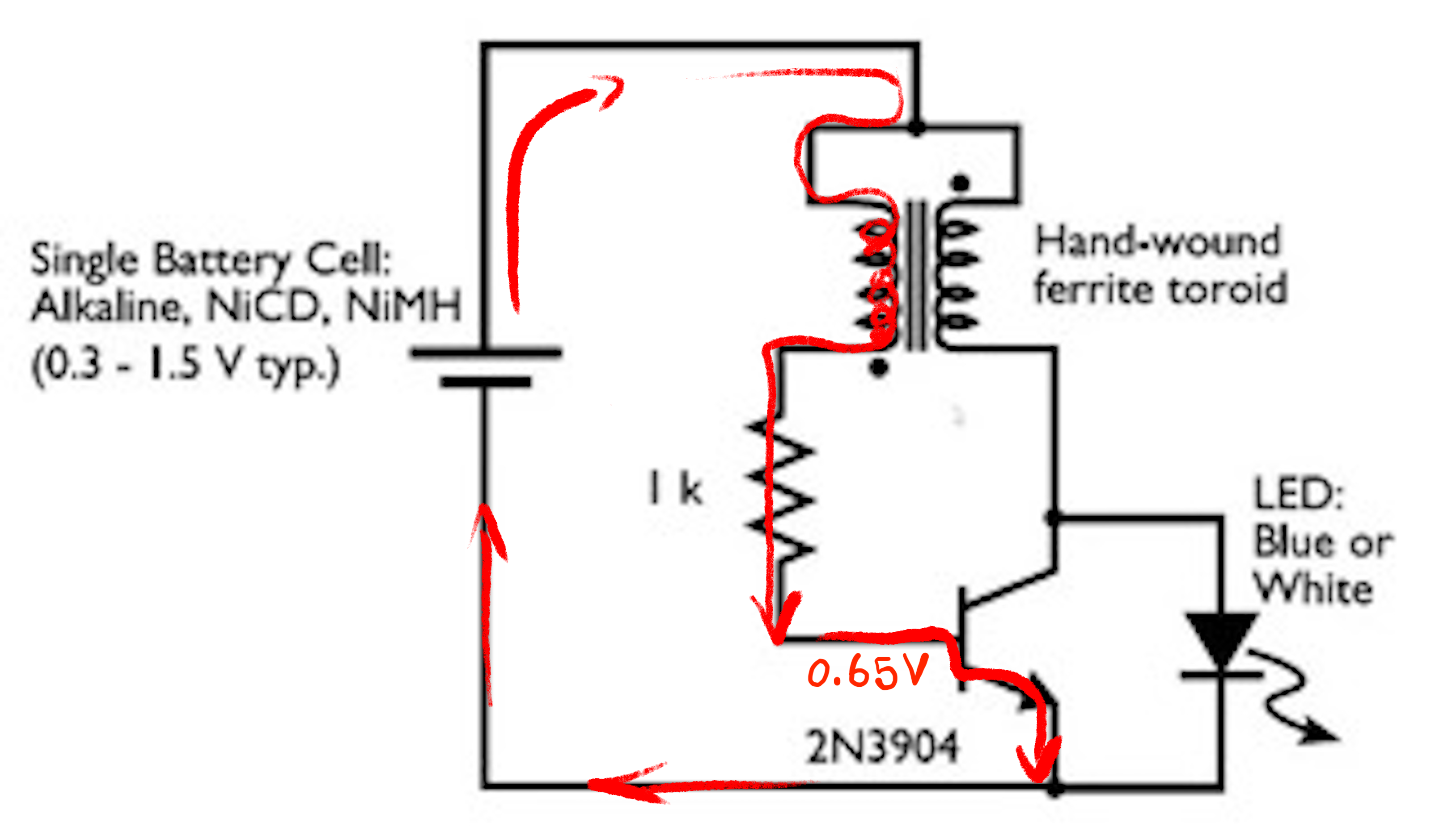
A small current flows from the battery through the coil and the base-emitter path of the transistor. This opens the emittor-collector path of the transistor.

Electricity is now able to travel through the second coil and through the collector-emitter channel of the transistor.

The increasing amount of electricity through the second coil generates a negative voltage in the first coil. An negative voltage is induced in the first coil, which cause the transistor to close.

With the transistor closed the energy starts to flow through the output (led).

The inductor is now powered by the magnetic field of the coil.
A more detailed explanation can be found on instructables
